Skip to main content

FARMA Lunnar Grip

Art.no

FARMAs lunnargripar är kraftiga och rejäla verktyg för små till mellanstora traktorer för att få ut timmer genom att lunna ut det. Den finnas i flera modeller beroende på önskad bekvämlighet.

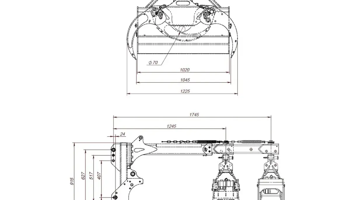
Man kan både släpa och lyfta med sig timmerstocken beroende på längd och situation i skogen. Den speciella gripen öppnar 1 meter och väger 87 kg och är gjord i höghållfasthetsstål av bästa kvalitet.

Den kan fås med manuellt utdragbart teleskop eller förses med hydraulik så att teleskopet kan köras med traktorns hydraulik. Man kan även välja att ha styrning av teleskopet när det är riktigt trånga förutsättningar.

Till lunnarfästet kan man även montera vår RW600 winch som körs på traktorns hydraulik och levereras med fjärrstyrning och ventil. Då kan man dra fram 30 stockar ut i skogen på 600 kg för att sedan lunna ut dem . Med winschen följer också ett kastskydd för att skydda traktor och förare.

Stödbladet kan enkelt breddas efter behov. Lunnaren är anpassad för traktorer med Kategori 1 och 2 storlek på trepunktsfästet.

* Bilderna är endast för illustrativa ändamål.
 

Vikt (Kg) 224
Spetskraft, spets mot spets (kN) 7.0
Max arbetstryck (MPa) 17.5
Svängvinkel grip (°) 90
Teleskoplängd (mm) 500
Blad bredd (mm) 1020
Rekommenderad traktor (Hk) <60

Söker du mer information?

Anders Svensson Försäljningschef Sverige/Norge/Danmark Telefon: 004670 191 40 51

Contact us

NAME *
PHONE *
EMAIL *
COUNTRY *
QUESTION *

+3726790000
Tule 30, 765 05 Saue, Estland