Skip to main content

FARMA T6

Art.no 100038

FARMA T6 is an easily driven trailer for more simple requirements when working in the forest. A flexible trailer for users that have tractors with low oil flows, but who still want to have a trailer that keeps what it promises.
The market has demanded a longer crane on T6, our smallest trailer model. Through a new design and a reinforced crane platform, FARMA T6 can now be equipped with cranes up to C5.0.

Note! FARMA has changed the color of our trailers to an olive-green colour. You will find that color on the majority of trailers and FARMA accessories on the website. However, there may still be pictures of accessories and the trailer in the old colour.

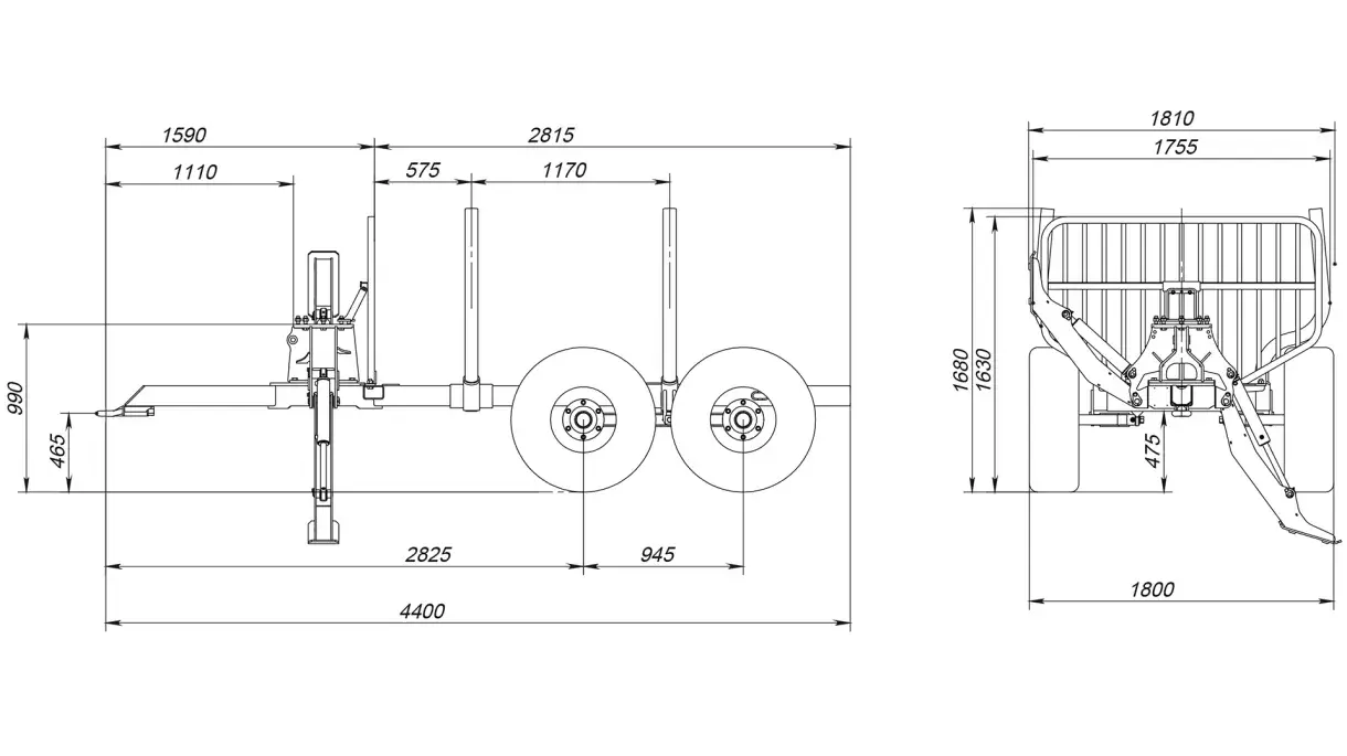
The trailer pictured is extra equipped with extension posts. The trailer might contain other accessories that are not included as standard.

Loading area (m2) 1,40
Ground clearance (mm) 475
Wheel dimension in standard 11,5/80-15,3
Gross weight (Kg) 6000
Weight basic trailer with standard crane podium and tires(Kg) 720
Steering angle with frame steering -

Do you need more information?

Tom Belton International salesman Phone: +44 7860 951485

Contact us

NAME *
PHONE *
EMAIL *
COUNTRY *
QUESTION *

+3726790000
Tule 30, 765 05 Saue, Estonia